Free shipping for all order of $700
Place your order by 2:00 PM EST for same day shipping for all items in stock

  Door Operator Applications   

Automating your openings is about more than just convenience; it’s about ensuring accessibility, safety, and seamless integration with your building’s security grid. Our selection of door operator applications provides the necessary components to convert any standard opening into a high-performance automated entrance. Whether you are retrofitting a healthcare facility for ADA compliance or integrating low-energy operators with access control systems, we provide the commercial-grade reliability your facility demands.

Basic Automatic Door Operator Configurations

Basic Door Operator Application


A straightforward solution for automating standard openings. This configuration focuses on accessibility and ease of use, typically involving a low-energy operator paired with wireless or hardwired actuators. Ideal for interior office doors or restrooms where security integration is not required.  

Shop Now

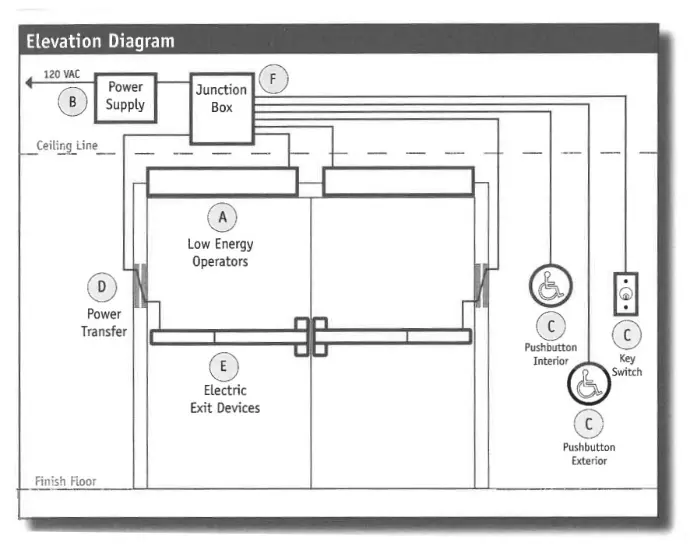
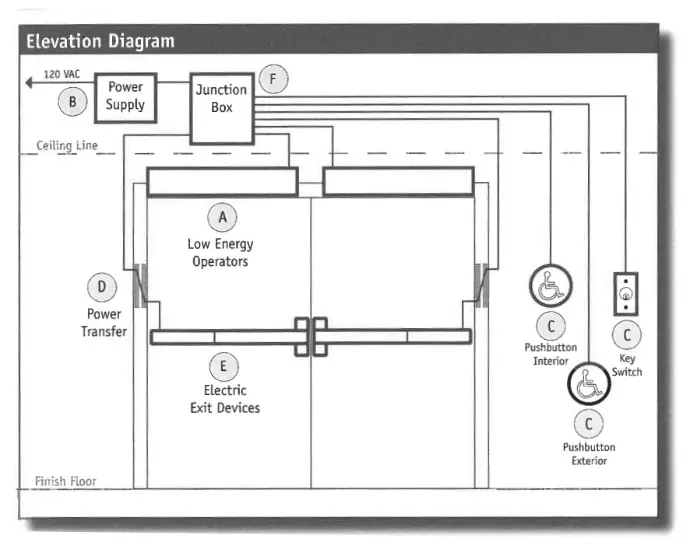
Electric Latch Retraction Exit Device Door Operator Application

Electric Latch Retraction Exit Device Door Operator Application   

The gold standard for high-traffic egress. This setup utilizes an ELR (Electric Latch Retraction) exit device that pulls the latch back before the operator begins its cycle, reducing friction and motor wear. Essential for fire-rated openings and high-security perimeter doors.  

Shop Now

Bidirectional Vestibule Door Operator Application


Bidirectional Vestibule Door Operator Application


Designed to manage the flow of traffic through dual-entry points. This application sequences the opening of exterior and interior doors to maintain building climate control and energy efficiency. These systems integrate with sensors to ensure a seamless "touchless" transition through the vestibule.  

Shop Now

Electric Dogging Exit Device Door Operator Application

Perfect for facilities that require "push-pull" operation during business hours. The electric dogging feature holds the latches retracted for an extended period, allowing the operator to swing the door freely without mechanical resistance. Connect this to your central scheduling system for automated building lockdowns.  

Shop Now

Automatic Door Operator with Magnetic Lock Application

Automatic Door Operator with Magnetic Lock Application   

Engineered for maximum holding force and glass storefront applications. This configuration ensures the magnetic lock releases power before the operator initiates the opening swing to prevent hardware binding. Ideal for high-security areas that must interface directly with a fire alarm system for life-safety release.  

Shop Now

Automatic Door Operator with Electric Strike Application

Automatic Door Operator with Electric Strike Application

A versatile configuration that combines an automatic opener with an electrified door strike. This allows the door to remain locked to the outside while providing automated entry upon a valid credential or push-button activation. A cost-effective way to add automation to existing cylindrical or mortise locksets.   

Shop Now

Low Energy vs. Full Power Operators

Choosing the Right Door Operator: Low Energy vs. Full Power

Selecting the correct automatic door operator is critical for facility flow and safety. At DoorwaysPlus, we categorize our operator applications into two main groups: Low Energy and Full Power. While both provide automated entry, their use cases, safety requirements, and installation standards (ANSI A156.19 vs. A156.10) differ significantly.

Low Energy (ADA) Operators

Commonly referred to as "Power Assist" or "Push-to-Open" operators, these are designed for environments where the door is primarily used manually, but automation is needed for accessibility.

  • Operation: Activated by a push plate, wave-to-open sensor, or remote.
  • Safety: Does not require safety mats or guide rails because the door moves at a reduced speed with limited force.
  • Best For: Small offices, restrooms, and storefronts where ADA compliance is the priority.

Full Power (Auto-Opening) Operators

These are the heavy-duty workhorses found in high-traffic commercial hubs. They are designed to open and close automatically for every user without manual intervention.

  • Operation: Typically triggered by overhead motion sensors or mats.
  • Safety: Requires rigorous safety equipment, including presence-sensing carpets, sensors, and often physical guide rails.
  • Best For: Hospital entrances, airports, and large retail grocery chains.

Operator Mounting Applications: Comparison Table

Choosing the right mounting application depends on your door frame depth and the architectural aesthetic of the opening.

Application TypeMounting LocationIdeal Use CaseVisual Profile
Pull Side (Track)Mounted on the pull side of the frame.Restricted overhead space; clean look.Low-profile, sleek track.
Push Side (Arm)Mounted on the push side (stop side).Standard commercial doors with deeper reveals.Visible projecting arm.
Overhead ConcealedHidden within the header or transom.New construction; high-end glass storefronts.Invisible; hardware is hidden.
Universal MountTop jamb of the door frame.Retrofit projects where versatility is key.Standard commercial profile.